Need Specifications or a Quote?
Share your ventilation project requirements and our engineers will reply within 12 hours with technical specs, pricing, and lead time.



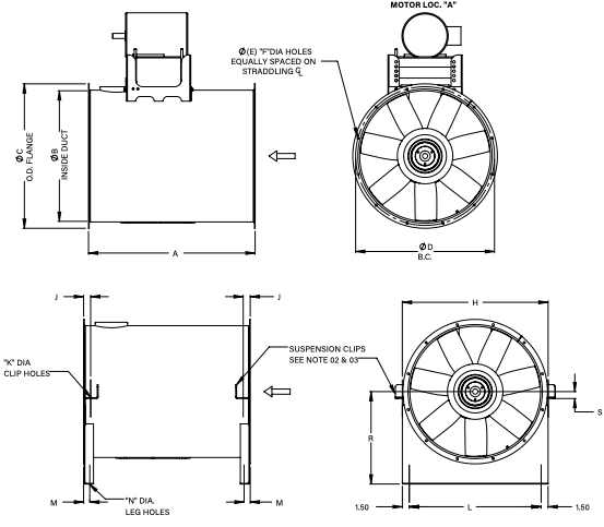
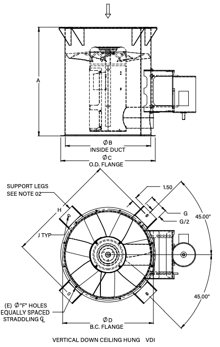
Built for tough environments, this tubeaxial fan delivers strong corrosion resistance and reliable high‑temperature performance.
Size
Airflow
Static pressure










