Need Specifications or a Quote?
Share your ventilation project requirements and our engineers will reply within 12 hours with technical specs, pricing, and lead time.



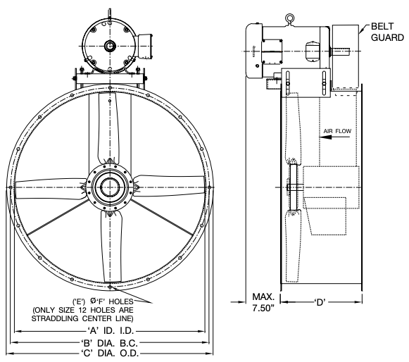
Engineered for paint spray booths and installations that require horizontal or vertical airflow, this belt-driven tubeaxial fan delivers reliable, cost-effective air movement. It features a non-sparking aluminum propeller, standard OSHA-compliant belt guards, and sealed-for-life ball bearings in a monoblock housing for long-lasting, maintenance-free performance.
Size
Airflow
Static pressure



