Need Specifications or a Quote?
Share your ventilation project requirements and our engineers will reply within 12 hours with technical specs, pricing, and lead time.



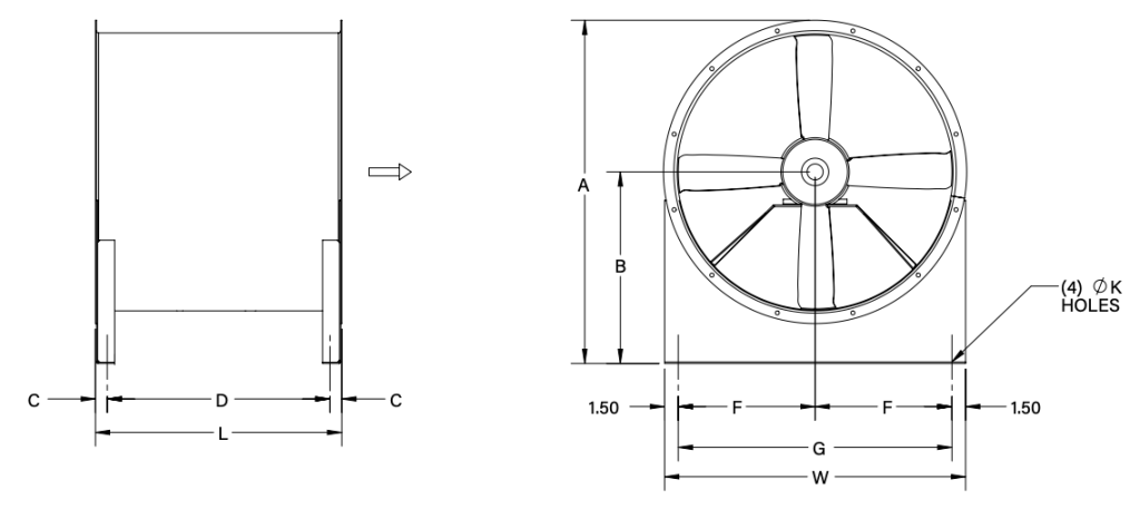
The tubeaxial fan is engineered for clean-air applications where a motor-in-airstream configuration is acceptable. It combines a Macheta®-tipped, cast‑aluminum airfoil blade for enhanced performance with a continuously welded, heavy‑gauge flanged casing. Pre-drilled bolt holes make it easy to mount to fan accessories or ductwork. All impellers and hubs are standard 319 aluminum. Impellers from 14 to 72 inches are solid cast, while sizes 84 inches and larger use adjustable‑pitch, individual blades with a hub for fine-tuning performance.
Size
Airflow
Static pressure















