Need Specifications or a Quote?
Share your ventilation project requirements and our engineers will reply within 12 hours with technical specs, pricing, and lead time.



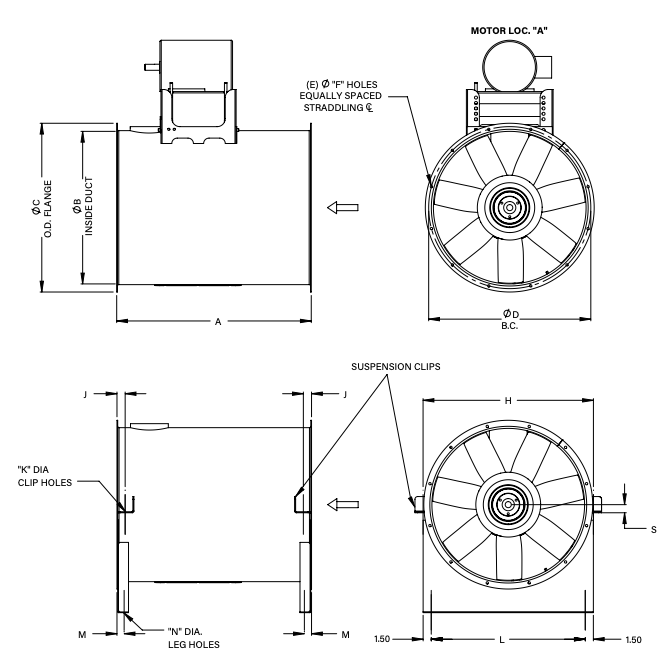
This tubeaxial fan is engineered for demanding environments—hospitals, schools, research labs, fume exhaust systems, and high‑moisture areas. Its flexible mounting allows direct installation within ductwork, making it a smart choice for a wide range of industrial and commercial applications. At the core is a one‑piece impeller cast from high‑strength aluminum alloy, designed for maximum efficiency. With a broad selection of hub‑to‑tip ratios, this fan delivers precise performance across diverse airflow requirements.
Size
Airflow
Static pressure



